Solución completa para bombas Stanadyne
Beacon Auto ofrece soluciones completas para sistemas de bombas Stanadyne.
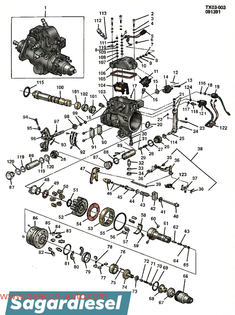
1. Ofrecemos bombas Stanadyne originales o remanufacturadas.
2. Ofrecemos herramientas de reparación para bombas Stanadyne.
3. Ofrecemos simuladores de prueba para bombas Stanadyne .
4. Ofrecemos máquinas de prueba para bombas Stanadyne.

